Агрегат отопительный АО2-5,5-50 (0,75/3000)
НАЗНАЧЕНИЕ
Воздушное отопление производственных, складских, торговых и прочих помещений категорий Г и Д по НПБ 105-95, технологический процесс в которых не сопровождается выделением пыли и взрывоопасных газов.
ОБЩИЕ СВЕДЕНИЯ
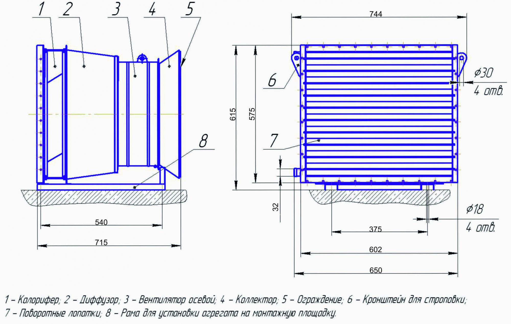
Отопительный агрегат АО представляет собой конструкцию из калорифера, вентилятора осевого, диффузора и рамы. В производстве отопительного агрегата АО применяются калориферы типа КСк или КП-Ск (в зависимости от виде теплоносителя). В качестве теплоносителя используется пар или горячая вода.
УСЛОВИЯ ЭКСПЛУАТАЦИИ
- Агрегат должен эксплуатироваться в макроклиматических районах с умеренным климатом (У3) категории размещения 3 по ГОСТ 15150.
- Температура воздуха в помещении от 5° до 40° С.
- Температура теплоносителя не выше 180° С, давление не более 1,2 МПа.
Похожие товары

