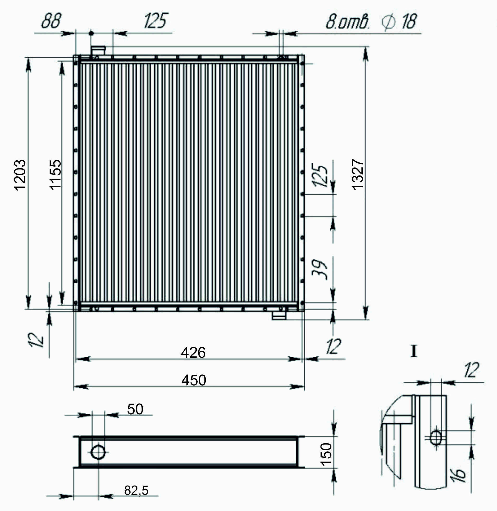
Воздухонагреватель ВНП 113-205
Воздухонагреватель ВНП 113 представляет собой калорифер для нагрева воздуха с помощью пара температурой не более 180 оС и давлением не более 1,2 Мпа. В качестве нагревающего элемента применяются стальные трубы диаметром 22 или 16 мм. с накаткой из алюминия. Пар подводится через верхний патрубок в воздухонагревателе, затем поступает в трубки где конденсируется и отводится через нижний патрубок.

